一般来说,随时间变化的电压v(t)与随时间变化的电流i(t)在一个电感为L的电感元件上呈现的关系可以用微分方程来表示:

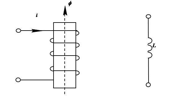
电感元件是一种储能元件,电感元件的原始模型为导线绕成圆柱线圈。当线圈中通以电流i,在线圈中就会产生磁通量Φ,并储存能量。
表征电感元件(简称电感)产生磁通,存储磁场的能力的参数,也叫电感,用L表示,它在数值上等于单位电流产生的磁链。电感元件是指电感器(电感线圈)和各种变压器。
“电感元件”是“电路分析”学科中电路模型中除了电阻元件R,电容元件C以外的一个电路基本元件。在线性电路中,电感元件以电感量L表示。元件的“伏安关系”是线性电路分析中除了基尔霍夫定律以外的必要的约束条件。电感元件的伏安关系是 u=L(di/dt)。

扩展资料
电感元件两端的电压,除了电感量L以外,与电阻元件R不同,它不是取决于电流i本身,而是取决于电流对时间的变化率(di/dt)。电流变化愈快,电感两端的电压愈大,反之则愈小。
据此,在“稳态”情况下,当电流为直流时,电感两端的电压为零。当电流为正弦波时,电感两端的电压也是正弦波,但在相位上要超前电流(π/2)。当电流为周期性等腰三角形波时,电压为矩形波,如此等等。总的来说,电感两端的电压波形比电流变化得更快,含有更多的低频成分。
参考资料来源:百度百科-电感元件
